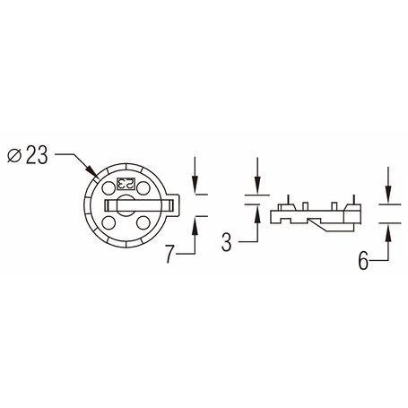
Home Products Coin Cell Holder ΦO=23mm

Coin Cell Holder - ΦO=23mm